
适用于玉米、大豆、大米、稻谷、青稞、小麦、荞麦、花生、红豆等食品、粮食行业及轻工、化工行业的小颗粒或流动性较好的大重量物料快速定量称重。

1、适合大重量物料的快速、高精度称量。
2、人机交换界面,方便快速调取预存的不同重量范围的预选称重参数。
3、操作简单,操作人员只需套袋并触动夹袋行程开关即可,而加料、灌包、卸袋等动作全部由定量秤自动完成。
4、控制器与AD转换模块通迅采用CAN总线方式,称重过程由AD模块板自主进行,减少了与控制通迅的占用时间,使重量信息的反馈处理更迅速。
5、输出端口功能采用自由端口的模式设计,可随需要更改信号的输出,并具有信号测试功能,便于排除设备故障。
6、详细的生产记录的统计功能。
1、采用高精度重量传感器、工作频率达400次/秒的AD转换模块的计量系统,计量精度高、稳定性好。
2、三级加料机构,专用控制算法,装包速度更快、准确度更高。
3、自动夹带结构,方便人工套装袋子,更安全、更高效。
4、与物料接触部分采用食品级不锈钢材料,更卫生、更环保,方便日常清洗维护。
型号 | JW-AX1 |
识别代号 | XL1-2-1 |
称重范围 | 5-50Kg |
称重精度范围 | X(1) |
最大称重速度 | 7-11P/M |
料斗容量 | 50L |
参数预设数 | 100 |
最多可称物料种类 | 1 |
操作界面 | 7寸触摸屏 |
选购装置 | 输送带/缝包机 |
电源要求 | 220V/80W/50/60HZ/0.4A |
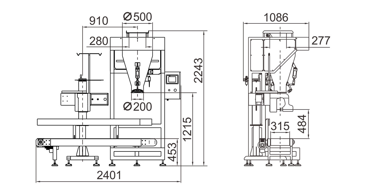
包装尺寸 | 1250(L)x1150(W)x2280(H) |
包装重量 | 150kg |



