
适合青椒、水果、果冻、糖果、大壳坚果等体积大且粒数少的物料的数粒称重。

1. 采用高精度的特制传感器,分辨率提升到2位小数。
2. 出厂参数设置恢复功能,支持多段重量标定。
3. 缺料时可自动暂停,使称量更加稳定。
4. 运行中各线振幅可独立调节,使加料更加均匀。
5. 多种语言可供选用,操作方便,适用于全球市场。
6. 存贮100套参数设置,实现多种物料需求,帮助菜单,方便学习使用。
1. 称重与数粒两种模式可供使用,满足您更多方面的需求。
2. 振幅时间自动适应,确保加料充足,有效提升称重精度。
3. 增加专用MCU参与物料判断和控制振幅,有效提升称重精度。
4. 特制宽V型线振盘,每个振盘都由光电传感器控制,确保物料料均匀。
1. 铸铝加厚整体中座增强了机器的强度,使得称量的稳定时间更短。
2. 可选称重式物料检测,准确控制加料时间,物料厚度,保证称重精度。
型号 | JW-A10 | JW-A14 |
识别代号 | A10-1-8 | A14-1-8 |
称重范围 | 10-1000g | 10-1500g |
称重精度范围 | X(0.5) | X(0.5) |
最大称重速度 | 30P/M | 60P/M |
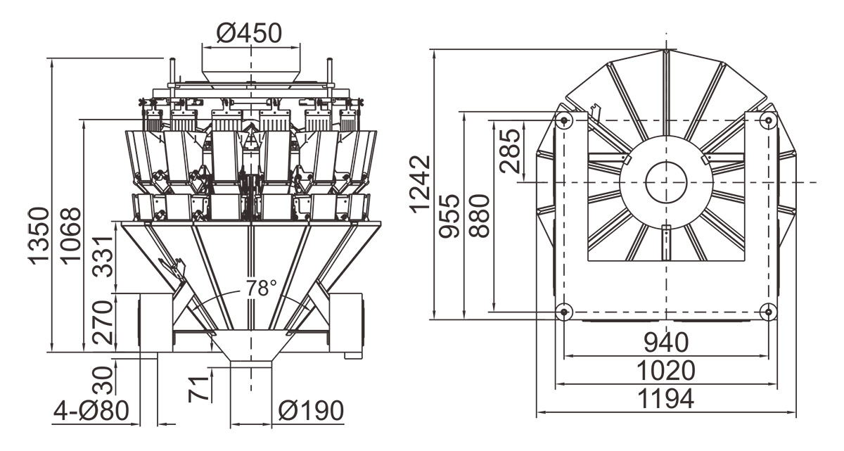
料斗容量 | 1.6L/ 2.5L | |
操作界面 | 7寸触摸屏 | |
选购装置 | 花纹秤斗/集料斗/数据打印装置/超重选别装置 | |
驱动方式 | 步进电机 | |
电源要求 | 220V/1000W/50/60Hz/10A | 220V/1500W/50/60Hz/12A |
包装尺寸(mm) | 1620(L)x1100(W)x1110(H) | 1700(L)x1100(W)x1265(H) |
包装重量 | 380kg | 490kg |



