
适合中药饮片、茶叶、咖啡豆、巧克力豆、葡萄干等休闲食品、五金件、塑料胶粒等颗粒物料的定量称重。

1. 采用高标准的特制传感器。
2. 出厂参数设置恢复功能,支持多段重量标定。
3. 运行中各线振幅可独立调节,使加料更加均匀。
4. 多种语言可供选用,操作方便,适用于全球市场。
5. 存贮100套参数设置,实现多种物料需求,帮助菜单,方便学习使用。
1. 新Ⅱ型机箱设计,美观大方。
2. 易拆式上下料盘设计,清洗更方便。
3. 可选配件丰富,满足各种需求。
4. 统一的设计标准,采用模具制作工艺,使各个零部件的互换性更强。
5. 另有铁机箱可选。
名称 | 一代铁10头Ⅱ标准组合秤 | 一代铁14头Ⅱ标准组合秤 | 一代10头Ⅱ标准组合秤 | 一代14头Ⅱ标准组合秤 |
型号 | JW-A10 | JW-A14 | JW-A10 | JW-A14 |
识别代号 | A10-1-17T | A14-1-17T | A10-1-17 | A14-1-17 |
称重范围 | 10-1000g | 10-1500g | 10-1000g | 10-1500g |
称重精度范围 | X(0.5) | X(0.5) | X(0.5) | X(0.5) |
最大称重速度 | 65P/M | 120P/M | 65P/M | 120P/M |
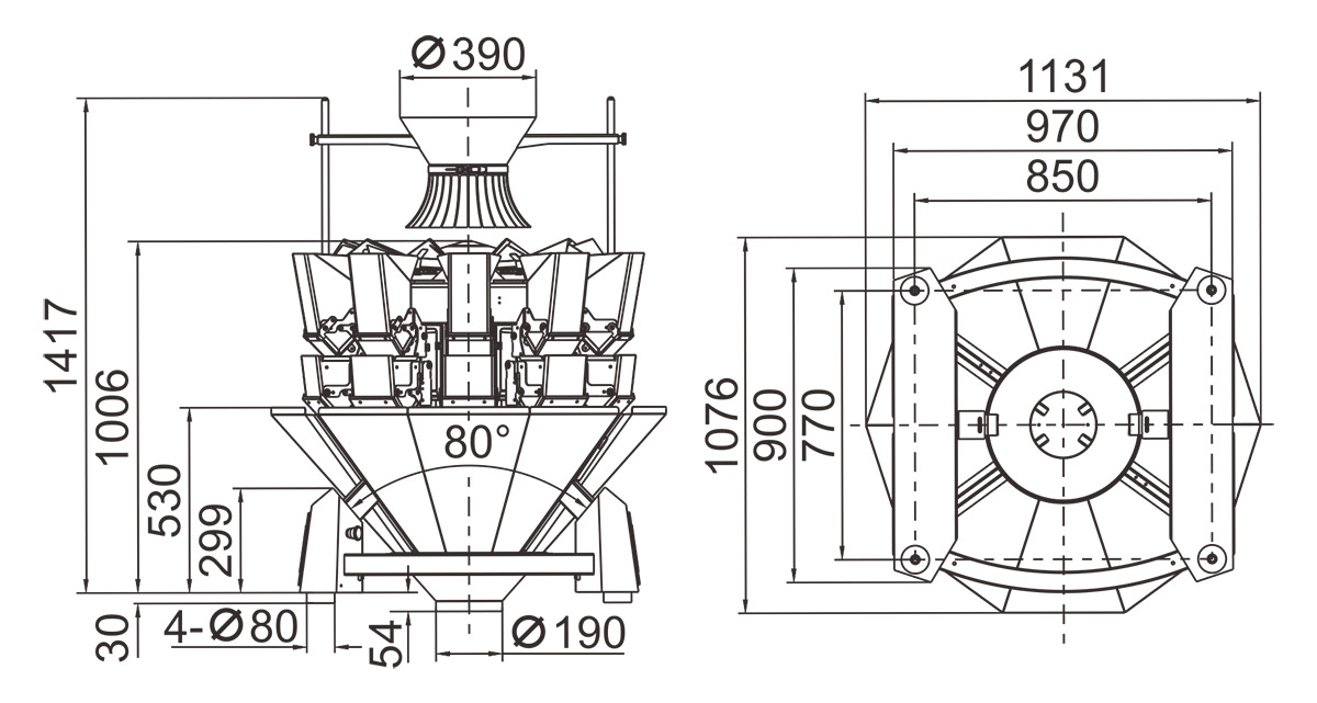
料斗容量 | 1.6/2.5L | |||
操作界面 | 7寸触摸屏 | |||
选购装置 | 花纹秤斗/集料斗/数据打印装置/超重选别装置 | |||
驱动方式 | 步进电机 | |||
电源要求 | 220V/1000W/ 50/60Hz/8A | 220V/1200W/50/60Hz/10A | 220V/1000W/50/60Hz/8A | 220V/1200W/50/60Hz/10A |
包装尺寸(mm) | 1770(L)x1100(W)x1190(H) | 1770(L)x1100(W)x1190(H) | 1770(L)x1100(W)x1190(H) | 1770(L)x1100(W)x1190(H) |
包装重量 | 370kg | 470kg | 370kg | 470kg |



