
适合中药饮片、茶叶、咖啡豆、巧克力豆、葡萄干等休闲食品、五金件、塑料胶粒等颗粒物料,蔬菜沙拉、水果沙拉、土豆,洋葱,西红柿,圣女果等蔬菜或水果等物料的大目标重量或大容量定量称重。

1. 采用高精度的特制传感器。
2. 出厂参数设置恢复功能,支持多段重量标定。
3. 运行中各线振幅可独立调节,使加料更加均匀。
4. 多种语言可供选用,操作方便,适用于全球市场。
5. 存贮100套参数设置,实现多种物料需求,帮助菜单,方便学习使用。
1. 新Ⅱ型机箱设计,美观大方。
2. 易拆式上下料盘设计,清洗更方便。
3. 可调整转速主振机增加了物料的通用性。
4. 加大振幅线振机增强了物料的流动性。
5. 下倾式专用线振盘保证加料顺畅。
6. 60°夹角小花纹斜槽有利于物料的下落、有效控制粘料现象。
名称 | 一代10头Ⅱ沙拉加大型组合秤 | 一代14头Ⅱ沙拉加大型组合秤 |
型号 | JW-AM10 | JW-AM14 |
识别代号 | AM10-1-19 | AM14-1-19 |
称重范围 | 100-3000g | 100-3000g |
称重精度范围 | X(1) | X(1) |
最大称重速度 | 50P/M | 80P/M |
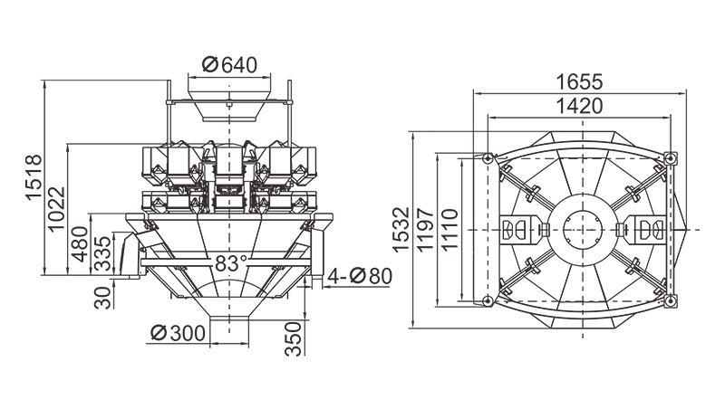
料斗容量 | 5L | |
操作界面 | 7寸触摸屏 | |
选购装置 | 集料斗/数据打印装置/超重选别装置 | |
驱动方式 | 步进电机 | |
电源要求 | 220V/1500W/50/60Hz/10A | 220V/1500W/50/60Hz/12A |
包装尺寸(mm) | 1910(L)x1280(W)x1500(H) | 2195(L)x1380(W)x1500(H) |
包装重量 | 680kg | 850kg |



