
瓜子、花生、果仁、杏仁、葡萄干、糖果、开心果、薯片、虾条、饺子、肉丸等颗粒、膨化、五金件等各种颗粒状、片状、条状、圆状及不规则物料的定量称重。

1、采用高精度的特制传感器;
2、智能化的故障报警提示,维护更方便;
3、高速异步放料功能,有效防止物料阻塞;
4、全新高集成模块化设计,采用了CAN总线技术;
5、Modbus工业标准通信协议,实现组合秤和包装机界面合二为一
6、其他功能特点同一代机型
1. 料斗组合数更多,精度更高、数度更快;
2. 采用独立主振机,分别控制物料的加料厚度;
3. 整体式机箱和中座增强了机器的刚性和强度,使得称量更准确;
4. 机箱、斜槽采用兼容设计,称量配方物料时可更换为单口下料盘,就可配方称重;
5. 统一的设计标准,采用模具制作工艺,使各个零部件的互换性更强。
6. 稳定式的铝壳结构使得料斗运行更稳定,读数更精准,整体式机箱和中座增强了机器的强度,使得料斗的稳定时间更短;
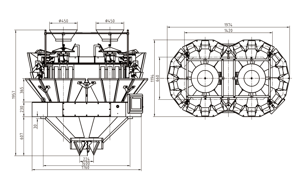
型号 | JW-A20 | JW-A20 |
识别代号 | A20-2-1(口字型) | A20-2-1(8字型) |
单次称重范围 | 10-1000g | 10-1000g |
称重精度范围 | X(0.5) | X(0.5) |
最大称重速度 | 2*65P/M(双联包装机模式) | |
料斗容量 | 1.6L/2.5L | |
操作界面 | 10.4寸触摸屏 | |
选购装置 | 花纹秤斗/集料斗/数据打印装置/超重选别装置 | |
驱动方式 | 步进电机 | |
电源要求 | 220V/2000W/ 50/60Hz /16A | 220V/2000W/ 50/60Hz /16A |
包装尺寸 | 1920(L)*1650(W)*1620(H) | 1880(L)*1600(W)*1240(H) |
包装重量 | 850kg | 850kg |


